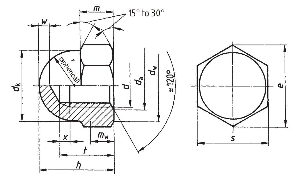
DIN 1587

Thread | Pitch | Diameter | Across Flat |
Across Corner |
Thickness | Hex Thickness |
Drill Depth | Radius | Undercut | ||||||||||||||||||
---|---|---|---|---|---|---|---|---|---|---|---|---|---|---|---|---|---|---|---|---|---|---|---|---|---|---|---|
d | p | da | dk | dw | s | e | h | m | t | w | r | x2 (max) | g2 (max) | ||||||||||||||
Series 1 | Series 2 | Series 3 | min | max | max | min | nom (max) |
min A |
min B |
A | B | max | min A |
min B |
max | min | min | max | min | Series 1 | Series 2 | Series 3 | Series 1 | Series 2 | Series 3 | ||
M4 | 0.7 | - | - | 4 | 4.60 | 6.50 | 5.80 | 7 | 6.78 | 6.64 | 7.66 | 7.50 | 8 | 7.64 | 7.42 | 3.2 | 2.90 | 5.26 | 5.74 | 2 | 3.25 | 1.4 | - | - | - | - | - |
M5 | 0.8 | - | - | 5 | 5.75 | 7.50 | 6.80 | 8 | 7.78 | 7.64 | 8.79 | 8.63 | 10 | 9.64 | 9.42 | 4.0 | 3.70 | 7.21 | 7.79 | 2 | 3.75 | 1.6 | - | - | - | - | - |
M6 | 1 | - | - | 6 | 6.75 | 9.50 | 8.30 | 10 | 9.78 | 9.64 | 11.05 | 10.89 | 12 | 11.57 | 11.30 | 5.0 | 4.70 | 7.71 | 8.29 | 2 | 4.75 | 2.0 | - | - | - | - | - |
M8 | 1.25 | 1 | - | 8 | 8.75 | 12.50 | 11.30 | 13 | 12.73 | 12.57 | 14.38 | 14.20 | 15 | 14.57 | 14.30 | 6.5 | 6.14 | 10.65 | 11.35 | 2 | 6.25 | 2.5 | 2.0 | - | - | - | |
M10 | 1.5 | 1 | 1.25 | 10 | 10.80 | 15.00 | 14.30 | 16 | 15.73 | 15.57 | 17.77 | 17.59 | 18 | 17.57 | 17.30 | 8.0 | 7.64 | 12.65 | 13.35 | 2 | 7.50 | 3.0 | 2.0 | 2.50 | - | - | - |
M10 | 1.5 | 1 | 1.25 | 10 | 10.80 | 16.00 | 15.30 | 17 | 16.73 | 16.57 | 18.90 | 18.72 | 18 | 17.57 | 17.30 | 8.0 | 7.64 | 12.65 | 13.35 | 2 | 8.00 | 3.0 | 2.0 | 2.50 | - | - | - |
M12 | 1.75 | 1.5 | 1.25 | 12 | 13.00 | 17.00 | 16.20 | 18 | 17.73 | 17.57 | 20.03 | 19.85 | 22 | 21.48 | 21.16 | 10.0 | 9.64 | 15.65 | 16.35 | 3 | 8.50 | - | - | - | 6.4 | 5.6 | 4.9 |
M12 | 1.75 | 1.5 | 1.25 | 12 | 13.00 | 18.00 | 17.20 | 19 | 18.67 | 18.48 | 21.10 | 20.88 | 22 | 21.48 | 21.16 | 10.0 | 9.64 | 15.65 | 16.35 | 3 | 9.00 | - | - | - | 6.4 | 5.6 | 4.9 |
(M14) | 2 | 1.5 | - | 14 | 15.10 | 20.00 | 19.20 | 21 | 20.67 | 20.16 | 23.35 | 22.78 | 25 | 24.48 | 24.16 | 11.0 | 10.30 | 17.65 | 18.35 | 4 | 10.00 | - | - | - | 7.3 | 5.6 | - |
(M14) | 2 | 1.5 | - | 14 | 15.10 | 21.00 | 20.20 | 22 | 21.67 | 21.16 | 24.49 | 23.91 | 25 | 24.48 | 24.16 | 11.0 | 10.30 | 17.65 | 18.35 | 4 | 10.50 | - | - | - | 7.3 | 5.6 | - |
M16 | 2 | 1.5 | - | 16 | 17.30 | 23.00 | 22.20 | 24 | 23.67 | 23.16 | 26.75 | 26.17 | 28 | 27.48 | 27.16 | 13.0 | 12.30 | 20.58 | 21.42 | 4 | 11.50 | - | - | - | 7.3 | 5.6 | - |
(M18) | 2.5 | 1.5 | 2 | 18 | 19.50 | 26.00 | 25.30 | 27 | 26.67 | 26.16 | 30.14 | 29.56 | 32 | 31.38 | 31.00 | 15.0 | 14.30 | 24.58 | 25.42 | 5 | 13.00 | - | - | - | 9.3 | 5.6 | 7.3 |
M20 | 2.5 | 2 | 1.5 | 20 | 21.60 | 28.00 | 28.20 | 30 | 29.67 | 29.16 | 33.53 | 32.95 | 34 | 33.38 | 33.00 | 16.0 | 14.90 | 25.58 | 26.42 | 5 | 14.00 | - | - | - | 9.3 | 7.3 | 5.6 |
(M22) | 2.5 | 1.5 | 2 | 22 | 23.70 | 31.00 | 29.50 | 32 | 31.61 | 31.00 | 35.72 | 35.03 | 39 | 38.38 | 38.00 | 18.0 | 16.90 | 28.58 | 29.42 | 5 | 15.50 | - | - | - | 9.3 | 5.6 | 7.3 |
(M22) | 2.5 | 1.5 | 2 | 22 | 23.70 | 33.00 | 31.40 | 34 | 33.38 | 33.00 | 37.72 | 37.29 | 39 | 38.38 | 38.00 | 18.0 | 16.90 | 28.58 | 29.42 | 5 | 16.50 | - | - | - | 9.3 | 5.6 | 7.3 |
M24 | 3 | 2 | - | 24 | 25.90 | 34.00 | 33.20 | 36 | 35.38 | 35.00 | 39.98 | 39.55 | 42 | 41.38 | 41.00 | 19.0 | 17.70 | 30.50 | 31.50 | 6 | 17.00 | - | - | - | 10.7 | 7.3 | - |
Bracketed sizes are non-preferred and should not be used.